| |
|
|
|
一、DYC-Q真空閥概述:
DYC-Q真空閥是真空系統中必備的控制元件,它裝于油封機械泵的進氣口處,當泵因工作需要突然停電、停止運轉時,該泵利用大氣壓力使閥芯自動落下,截止和真空系統相連的通道,同時向泵內放大氣,防止機械泵油返回真空系統,起到了保護真空系統作用,有利于機械泵再啟動。
|
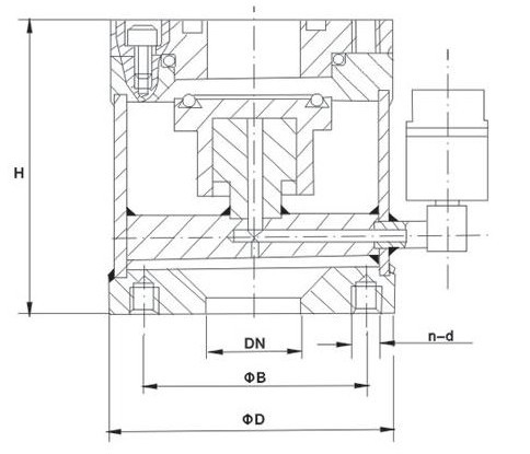
| 二、DYC-Q真空閥的性能表及尺寸圖: |
 |
型號 |
公稱通徑(DN) |
主要連接尺寸 |
流導 |
漏氣率(Pa.L/S) |
開閉時間(S) |
閥門電源(V/Hz) |
ΦD |
ΦB |
H |
n-d |
(L/S) |
DYC-Q16 |
16 |
60 |
45 |
75 |
4-M6 |
>8 |
≤6.5x10-2 |
≤3 |
220/50 |
DYC-Q20 |
20 |
65 |
50 |
80 |
>12 |
DYC-Q25 |
25 |
70 |
55 |
90 |
>20 |
DYC-Q32 |
32 |
90 |
70 |
100 |
4-M8 |
>26 |
DYC-Q40 |
40 |
100 |
80 |
110 |
>40 |
DYC-Q50 |
50 |
110 |
90 |
123 |
>62 |
DYC-Q65 |
65 |
125 |
105 |
147 |
>120 |
DYC-Q80 |
80 |
145 |
125 |
147 |
>200 |
DYC-Q100 |
100 |
165 |
145 |
165 |
8-M8 |
>300 |
DYC-Q125 |
125 |
200 |
175 |
185 |
8-M10 |
>400 |
DYC-Q160 |
160 |
225 |
200 |
210 |
>600 |
DYC-Q200 |
200 |
285 |
260 |
240 |
12-M10 |
>1200 |
DYC-Q250 |
250 |
335 |
310 |
285 |
>2000 |
DYC-Q320 |
320 |
425 |
395 |
310 |
12-M12 |
>3000 |
|
DYC-Q真空閥的選型須知:
(一)①真空閥型號②真空閥公稱通徑③真空閥公稱壓力④真空閥工作介質⑤真空閥工作壓差⑥真空閥介質溫度⑦真空閥電源電壓及頻率⑧真空閥介質粘度。
(二)真空閥正常工作時的電壓為220V (+22/-15)V 如超過此范圍,請訂貨時注明電壓波動量。其它規格電源電壓可做特殊訂貨。
(三)閥門的開通時間達12小時以上,請選用常開式真空閥。當使用環境周圍有易燃易爆品,請選用防爆型真空閥。
(四)當使用的場合非常重要或環境比較復雜時,請您盡量提供設計圖紙和詳細參數,由我們的技術專家為您審核把關。
(五)特殊訂貨:
①如您選購氟橡膠膜片(Viton)則在訂單中注明V,其介質量高溫度可達到130℃;如您選購三元乙丙膠膜片(EPDM)則注明E,其介質最高溫度可達到110℃。
②需要法蘭連接可在訂貨時說明。
上海飛魯真空泵廠有限公司主要真空泵產品有:旋片式真空泵系列、水環式真空泵系列、往復式真空泵系列、羅茨真空泵系列、滑閥式真空泵系列、水噴射真空泵系列、擴散泵系列、真空機組系列等泵類產品及真空泵配件,我公司擁有豐富的生產歷史,技術精良,產品質量穩定可靠,公司恪守“以誠信,市場,互利”的宗旨,重合同,守信用。為您提供優質的產品、良好的服務,做您忠實可靠的合作伙伴, 竭誠歡迎各界新老朋友前來光臨洽談合作!
我公司免費咨詢電話:400-021-5161
感謝您訪問我公司的網站,如有任何疑問.您可以致電給我們,我們一定會盡心盡力為您提供優質的服務。
真空泵配件:
DDC-JQ真空閥
DYC-Q真空閥
真空泵油
真空表
|
|